Toll Free: 877-355-7577
Phone: 262-785-7577
Fax: 262-785-1066
Email: sales@bct-us.com
![]()

Please call Coyote for information on 3096, 3684, and 4884 Spinner Hangers.
The chambers are indexed by an electric motor and gear reducer activating a low speed-high torque "HTD" type drive assembly.
The spindle automatically engages and disengages as the chambers rotate through the blast zone leaving it free to revolve at the loading zone.Each chamber will stop at a preset index point, set at the top of the cabinet, for a time interval set
on the ATC cycle timer and automatically travel to the next stop until all have been made and then rotate to the end
of the blast zone and wait to be indexed for the next cycle.
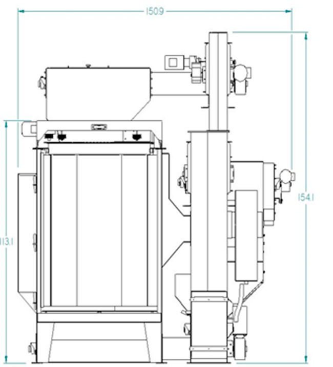
The 3072 utilizes (4) 15 HP Coyote Rim-Loc Blast Wheels.
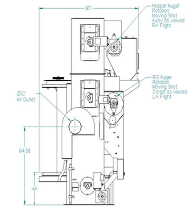
The abrasive is controlled via air-operated butterfly valves. The abrasive proximity, located on top of the main chamber, will signal the abrasive ON when the workload is present in the blast zone and turn OFF the abrasive as the workload passes the zone.
All spent abrasive will drain through the bottom of the chamber and be collected at the lower screw conveyor which will deposit it into the lower elevator where it will be transported to the separator which will remove light contaminant. From there it will travel to the bottom of the upper elevator and then to the storage hopper ready for reuse. The storage hopper has a Polycarbonate window with an adjustable proximity switch that activates
when the abrasive falls below the minimum level. When this occurs, it will illuminate a light on the
electrical panel.